ライブラリーを作ってみました。Tools → Synbol Wizard 8ピンに編集 → OK


ファイル → 新規 → Footprint → Tools → Tools → Footprint Wizard → DIP 編集 → 適用


Title TEST で保存

Tools → Footprint Maneger

test で検索 TEST を選び Update Footprint をクリック

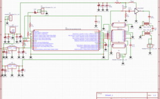
以上でライブラリーが完成しました。説明が下手くそで不十分ですが思ったより簡単に作れます。
ライブラリーを作ってみました。Tools → Synbol Wizard 8ピンに編集 → OK


ファイル → 新規 → Footprint → Tools → Tools → Footprint Wizard → DIP 編集 → 適用


Title TEST で保存

Tools → Footprint Maneger

test で検索 TEST を選び Update Footprint をクリック

以上でライブラリーが完成しました。説明が下手くそで不十分ですが思ったより簡単に作れます。
コメント