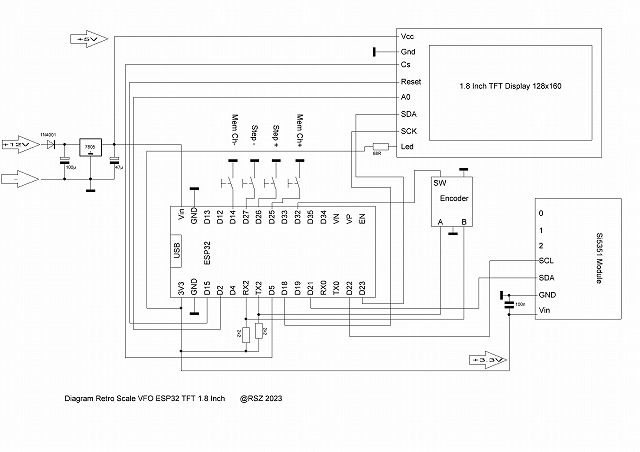
以前テストしたアナログダイアル表示のVFOですが7MHzのみしか使えないと思っていました。STEP/MEM Ch のSWのある配線図がみつかりました。


バンド切り替えはメモリーに保存されたバンドを呼び出すことでバンド切り替えをしているようです。

オールバンドVFOとして使うことが出来そうです。
以前テストしたアナログダイアル表示のVFOですが7MHzのみしか使えないと思っていました。STEP/MEM Ch のSWのある配線図がみつかりました。


バンド切り替えはメモリーに保存されたバンドを呼び出すことでバンド切り替えをしているようです。

オールバンドVFOとして使うことが出来そうです。
コメント