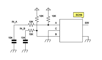
電子工作ステーションで購入したロータリーエンコーダ


5V 端子があり接続がわかりませんがとりあえず接続してみたところ問題なくロータリーエンコーダとして動作しています。たぶんこんな回路のようでプルアップ抵抗とチャタリング防止のコンデンサーがついているようです。

CYTECの今までにない、個性的なVFOシステムを作ろう
Tjlab 開発品でテストしてみました。クリックごとに40Hzステップになりますが動作が確認出き設定変更で10Hzへの変更ができました。
価格も235円と安いので使えるロータリーエンコーダだと思います。

コメント