uBITX v6

uBITX v6

uBITX Output Up

uBITX 出力を少しでも上げようといろいろ試してみました。1.Q90 BFR106 に交換2.C81  並列に0.1uF 追加3.R87  並列に220pF追加4.R88  並列に220pF追加5.R86  1KΩ+27uH に交換結果は...
uBITX v6

uBITXにAGC追加計画

やはりAGCの無いUBITXは使いにくいので追加することにしました。以前キットを購入してみましたが上手くいきませんでした。今回はこちらのAGCを試してみようと思います。手持ちの部品でなんとか作れそうです。EasyEDAで基板作成をしてみまし...
Arduino

uBITX VFO

uBITX のVFO を他に使えないかとブレッドボードで試してみました。表示はしましたがタッチしても動作しません、結果として、#define FBUTTON (A2) とありますので (A2) をGND につなぎ Arduino をUSB ...
uBITX v6

uBITX を sBITX に改造

sBITX をなんとか作ってみたいと思っていたところ uBITX を改造する記事を見つけました。SBITX: Hackable HF SDR For The Raspberry Pi | HackadayuBITX のオリジナルの 11.0...
uBITX v6

uBITX CW

まだCWでのQSOをしたことがありません。uBITXではストレートキーはジャックにさせばそのまま使えますが、パドルをつなぎ設定変更しても短点を連続するだけです。ネットで調べてみると10kと2.2kの抵抗を追加することで短点・長典が打てるよう...
uBITX v6

uBITX 手直し計画3

昨日チップワンストップよりリレーが到着しましたので早速交換してみました。7MHz以外はSSB/CWとも同じ出力ですが、7MHzだけSSB 10W CW 3W リレーの交換で改善するかと思いましたが変化はありません。瞬間的には10W出ています...
uBITX v6

uBITX 手直し計画2

uBITXの基板加工をしてみました。AGC回路用マイク回路用ここでミス間違ってVRのラインをカットしてしまいました。ところが注文していたAGCキットがインドから届いてしまいました。出荷メールもなく突然届いてしまったのでびっくりです。リレーが...
uBITX v6

uBITX 手直し計画1

なんとか動いているuBITXですが、7MHzでパワーが出ないこととAGCが無いことが問題となります。パワー不足についてはリレーの交換を検討RSコンポーネンツに安く送料無料とありましたが在庫がありません。仕方なくチップワンストップに注文、これ...
uBITX v6

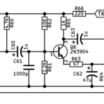
uBITX SSB 不調の原因

SSBの変調が不調の原因がわかりました。マイクアンプQ6が動作していないようです。TP20にクリスタルイヤホンをつなぎテスト。付属のマイクをつないでも何も出力されません。マイクアンプをいれるとマイクアンプの出力より小さい音が出ています。Q6...
uBITX v6

uBITX クリスタルフィルター

キャリアポイントがはっきりしないのでクリスタルフィルターの中心周波数を調べてみました。アンテナアナライザーの出番です。クリスタルフィルターの両脇にテストポイントみたいなものがありましたのでFAA-450に接続してスキャン。中心周波数は11....